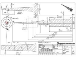
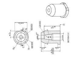
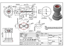
Precision machining pins is precision machined insert pins. It could be cores, core pins or cavity pins.

Product Details:
- Product: Precision machining pins
- Machined: Lathe first
- Machined teeth: Milling
- Standard: Straight teeth
- Steel: S136
- Molded Plastic: PC
- Spec.: Machined Φ0.01 mm
- Dimensions: Φ30 X 167.70 mm
- Mold size: 300 X 300 x 400 mm
- Tolerance: +/-0.01 mm
- QTY: 5 pcs
- Lead time: 2 weeks
Precision machining pins
Mould Precision Co., Ltd. is a high quality precision machining maker in China, with rich experience in machining for gears, core pins and strip etc., with competitive price and on time deliver.






